Терминал TARGControl D1
Биометрический терминал TC D1

Терминал TC D1 представляет собой контроллер со встроенным биометрическим считывателем, сенсорным дисплеем и видеокамерой и предназначен для построения систем контроля и управления доступом (СКУД) и систем учета рабочего времени (УРВ).*
Чтобы узнать больше или купить товар, позвоните по телефону или оставьте заявку.
Терминал TC D1 обладает следующими возможностями:
Выбор причины входа/выхода;
Управление дверью/турникетом;
Наличие HTTP REST API для интеграции в сторонними системами;
Сенсорный дисплей 7’’ 800х480;
Подключение по Ethernet, Wi-Fi, 3G;
Подключение дополнительного внешнего считывателя;
Поддержка интерфейсов Wiegand-26/34/42/58 или RS-485;
Возможность подключения пожарной тревоги для разблокировки двери;
Возможность подключения кнопки для разблокировки двери;
Возможность подключения до 4-х IP-камер по протоколу Onvif (вер. 2.4) для фотофиксации.
Возможность подключения индикатора алкоголя или турникета;
Наличие встроенного ПО с web-интерфейсом (СКУД и УРВ);
Возможность объединения нескольких контроллеров при помощи ПО TARGControl Cloud.

Основные технические характеристики
Характеристика | Значение |
|---|---|
Напряжение питания, V DC | 12 |
Максимальная потребляемая мощность, Вт | 36 |
Максимальное коммутируемое напряжение для замка, не более, В, AC/DC | 250/30 |
Максимальный коммутируемый ток, не более, А | 5 |
Количество дискретных входов | 3 |
Количество дискретных выходов | 3 |
Электрическая прочность изоляции дискретных входов, кВ | 5 |
Интерфейс USB, шт | 4 |
Wiegand-входы, шт | 1 |
Wiegand-выходы, шт | 2 |
Ethernet | Есть |
RS-485 | Есть |
Wi-Fi | Есть |
3G | Опция |
Степень защиты корпуса, IP | 20 |
Температура окружающей среды, °С | 0 … +55 |
Максимальная относительная влажность (при 25 °С), не более, % | 80 |
Габаритные размеры, мм | 210х173х44 |
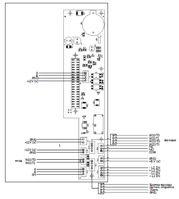
Схема подключения терминала

Документация
Скачать TC D1
Скачать TC D1bio
Скачать TC D1CM
Скачать TC D1CMbio


